
宣布:哈量集团 所属分类:CZG车削夹
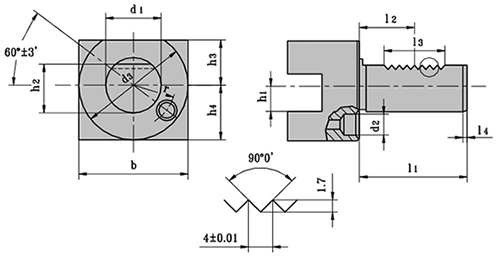
CZG刀夹柄部标准
![]() |
|||||||||||||||||||||||||||||||||||||||||||||||||||||||||||||||||||||||||||||||||||
|
哈量集团,,,,,实时播报行业动态
新闻资讯
更多+常见问题
更多+哈量游标卡尺能丈量内径和外径吗?
哈量游标卡尺完全可以丈量内径和外径,,,,,这是其最基础且焦点的功效之一。。。。。以下是详细说明: 丈量外径的要领 操作办法: 将外丈量爪(卡尺两侧的V形...
哈量游标卡尺的使用要领
哈量游标卡尺是一种常用的细密丈量工具,,,,,可用于丈量物体的内径、外径、深度和步距等多种尺寸。。。。。以下是其详细的使用要领: 一、熟悉哈量游标卡尺结构 哈...
哈量游标卡尺怎么样??????
在工业丈量领域,,,,,哈量游标卡尺依附其卓越品质与精彩性能,,,,,成为众多从业者的首选工具。。。。。作为哈尔滨量具刃具厂的明星产品,,,,,哈量游标卡尺在机械制造、电子制造、航空航...
哈量游标卡尺的优势与选购指南
哈量游标卡尺的优势与选购指南哈量(哈尔滨量具刃具)作为海内着名品牌,,,,,其游标卡尺以高精度、耐用性和可靠性著称。。。。。以下是哈量游标卡尺的优势及选购建议。。。。。优势 高精...
数显卡尺检定专用量块:怎么选才靠谱??????
数显卡尺检定专用量块:怎么选才靠谱??????数显卡尺作为高精度丈量工具,,,,,其准确性直接影响丈量效果。。。。。为确保数显卡尺的精度,,,,,检定历程中需要使用专用量块。。。。。量块的选择和标准至关...
哈量内径百分表配件
周全相识哈量内径百分表及其配件的应用与特点
哈量内径百分表是细密丈量领域中不可或缺的工具,,,,,它主要用于丈量内径尺寸的准确度。。。。。在丈量历程中,,,,,配件的使用对丈量效果的准...
电话咨询
微信咨询
返回顶部