
ÄúÏÖÔÚµÄλÖãº
Ðû²¼£º¹þÁ¿¼¯ÍÅ ËùÊô·ÖÀࣺST±úïÛϳÀ๤¾ßϵͳ
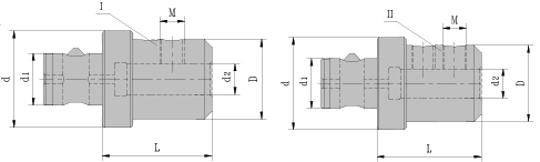
×°Ï÷ƽÐÍÖ±±úµ¶¾ßÄ£¿£¿£¿£¿£¿£¿£¿£¿é
Adaptor Modular for Tool with Flatted Parallel Shank
¡¡¡¡![]() |
|||||||||||||||||||||||||||||||||||||||||||||||||||||||||||||||||||||||||||||||||||||||||||||||||||||||||||||||||||||
|
|||||||||||||||||||||||||||||||||||||||||||||||||||||||||||||||||||||||||||||||||||||||||||||||||||||||||||||||||||||
|
|
ÉÏһƪ£ºÓбâβĪÊÏÔ²×¶¿×Ä£¿£¿£¿£¿£¿£¿£¿£¿é
ÏÂһƪ£º×°´øÖáÏò¶¨Î»µÄÏ÷ƽÐÍÖ±±úµ¶¾ßÄ£¿£¿£¿£¿£¿£¿£¿£¿é
·µ»ØÁбí¹þÁ¿¼¯ÍÅ£¬£¬£¬£¬£¬£¬ÊµÊ±²¥±¨ÐÐÒµ¶¯Ì¬
ÐÂÎÅ×ÊѶ
¸ü¶à+³£¼ûÎÊÌâ
¸ü¶à+¹þÁ¿Óα꿨³ßÄÜÕÉÁ¿ÄÚ¾¶ºÍÍâ¾¶Âð?
¹þÁ¿Óα꿨³ßÍêÈ«¿ÉÒÔÕÉÁ¿ÄÚ¾¶ºÍÍâ¾¶£¬£¬£¬£¬£¬£¬ÕâÊÇÆä×î»ù´¡ÇÒ½¹µãµÄ¹¦Ð§Ö®Ò»¡£¡£¡£¡£¡£¡£¡£ÒÔÏÂÊÇÏêϸ˵Ã÷£º ÕÉÁ¿Íâ¾¶µÄÒªÁì ²Ù×÷°ì·¨£º ½«ÍâÕÉÁ¿×¦£¨¿¨³ßÁ½²àµÄVÐÎ...
¹þÁ¿Óα꿨³ßµÄʹÓÃÒªÁì
¹þÁ¿Óα꿨³ßÊÇÒ»ÖÖ³£ÓõÄϸÃÜÕÉÁ¿¹¤¾ß£¬£¬£¬£¬£¬£¬¿ÉÓÃÓÚÕÉÁ¿ÎïÌåµÄÄÚ¾¶¡¢Íâ¾¶¡¢Éî¶ÈºÍ²½¾àµÈ¶àÖֳߴ硣¡£¡£¡£¡£¡£¡£ÒÔÏÂÊÇÆäÏêϸµÄʹÓÃÒªÁ죺 Ò»¡¢ÊìϤ¹þÁ¿Óα꿨³ß½á¹¹ ¹þ...
¹þÁ¿Óα꿨³ßÔõôÑù£¿£¿£¿£¿£¿£¿£¿£¿
ÔÚ¹¤ÒµÕÉÁ¿ÁìÓò£¬£¬£¬£¬£¬£¬¹þÁ¿Óα꿨³ßÒÀ¸½Æä׿ԽƷÖÊÓ뾫²ÊÐÔÄÜ£¬£¬£¬£¬£¬£¬³ÉΪÖÚ¶à´ÓÒµÕßµÄÊ×Ñ¡¹¤¾ß¡£¡£¡£¡£¡£¡£¡£×÷Ϊ¹þ¶û±õÁ¿¾ßÈо߳§µÄÃ÷ÐDzúÆ·£¬£¬£¬£¬£¬£¬¹þÁ¿Óα꿨³ßÔÚ»úÐµÖÆÔì¡¢µç×ÓÖÆÔì¡¢º½¿Õº½...
¹þÁ¿Óα꿨³ßµÄÓÅÊÆÓëÑ¡¹ºÖ¸ÄÏ
¹þÁ¿Óα꿨³ßµÄÓÅÊÆÓëÑ¡¹ºÖ¸ÄϹþÁ¿£¨¹þ¶û±õÁ¿¾ßÈоߣ©×÷Ϊº£ÄÚ×ÅÃûÆ·ÅÆ£¬£¬£¬£¬£¬£¬ÆäÓα꿨³ßÒԸ߾«¶È¡¢ÄÍÓÃÐԺͿɿ¿ÐÔÖø³Æ¡£¡£¡£¡£¡£¡£¡£ÒÔÏÂÊǹþÁ¿Óα꿨³ßµÄÓÅÊÆ¼°Ñ¡¹º½¨Òé¡£¡£¡£¡£¡£¡£¡£ÓÅÊÆ ¸ß¾«...
ÊýÏÔ¿¨³ß¼ì¶¨×¨ÓÃÁ¿¿é£ºÔõôѡ²Å¿¿Æ×£¿£¿£¿£¿£¿£¿£¿£¿
ÊýÏÔ¿¨³ß¼ì¶¨×¨ÓÃÁ¿¿é£ºÔõôѡ²Å¿¿Æ×£¿£¿£¿£¿£¿£¿£¿£¿ÊýÏÔ¿¨³ß×÷Ϊ¸ß¾«¶ÈÕÉÁ¿¹¤¾ß£¬£¬£¬£¬£¬£¬Æä׼ȷÐÔÖ±½ÓÓ°ÏìÕÉÁ¿Ð§¹û¡£¡£¡£¡£¡£¡£¡£ÎªÈ·±£ÊýÏÔ¿¨³ßµÄ¾«¶È£¬£¬£¬£¬£¬£¬¼ì¶¨Àú³ÌÖÐÐèҪʹÓÃרÓÃÁ¿¿é¡£¡£¡£¡£¡£¡£¡£Á¿¿éµÄÑ¡ÔñºÍ±ê×¼ÖÁ¹Ø...
¹þÁ¿ÄÚ¾¶°Ù·Ö±íÅä¼þ
ÖÜÈ«Ïàʶ¹þÁ¿ÄÚ¾¶°Ù·Ö±í¼°ÆäÅä¼þµÄÓ¦ÓÃÓëÌØµã
¹þÁ¿ÄÚ¾¶°Ù·Ö±íÊÇϸÃÜÕÉÁ¿ÁìÓòÖв»¿É»òȱµÄ¹¤¾ß£¬£¬£¬£¬£¬£¬ËüÖ÷ÒªÓÃÓÚÕÉÁ¿ÄÚ¾¶³ß´çµÄ׼ȷ¶È¡£¡£¡£¡£¡£¡£¡£ÔÚÕÉÁ¿Àú³ÌÖУ¬£¬£¬£¬£¬£¬Åä¼þµÄʹÓöÔÕÉÁ¿Ð§¹ûµÄ×¼...
µç»°×Éѯ
΢ÐÅ×Éѯ
·µ»Ø¶¥²¿